一、 概述
重錘式料位計可用來測量粉狀、顆粒狀及塊狀固體物料料倉的料位,使用戶**地掌握料倉中的料位高度。料位計由一次表傳感器及控制顯示儀構成,傳感器的設計吸收了國內外******產品的優點,其獨特的結構與傳動方式使以往許多其它形式的重錘式料位計經常出現的問題都得以克服,做到運行**、維護量小、應用面廣。
(見圖1、2)




圖 1 傳感器外形 圖 2 內部結構示意圖
數顯控制儀采用ARM系列CPU,由程序控制傳感器的整個探測過程的動作并檢測其信號,進行計算,在面板上的顯示窗口顯示料位數字,并有相應的4-20mA(不需要外接24V)模擬電流信號輸出,測量可定時自動進行,也可手動測量或由上位計算機控制。本料位計現場表(一次表)可分為二種規格:0~40 米、0~100 米。
二、主要技術指標
1. 一次表傳感器(重量約7.5kg,安裝在倉頂合適位置)
測量范圍: 0~100米(特殊可協商);測量精度: ±0.5%
重復性: ±0.5%;分辨率: ±1cm;探測速度: 0.15m/s
測量帶: 304不銹鋼鋼帶或304不銹鋼襯F46鋼絲繩
重 錘 重 量: 1.5kg;電機停轉力矩: 5N.m
功 耗: 運行時 45W(與電機選配有關);環境溫度: -40℃~+60℃
顯示: 全中文觸摸屏;電流輸出:有源 4~20mA(不需要外加24V)
電流輸出信號精度: ±0.5%;定時時間: 10~9999分鐘(或按用戶要求定)
與一次表傳感器**距離: 500m;數顯控制儀重量: 0.5kg
數顯控制儀外形尺寸: 寬110×高110×長120(mm)
數顯控制儀開孔尺寸: 寬111×高111×長130(mm)
(可放置倉頂也可放置在控制室)
三、工作原理
安裝在料倉頂部的料位計傳感器的探測過程由數顯控制儀發出的信號控制。傳感器由可逆電機、繞線盤、靈敏杠桿等組成。(見圖2)
當傳感器接到探測命令時:電機正轉,經減速機帶動齒輪軸和線筒轉動,使鋼絲繩下放,帶動重錘由倉頂下降。當重錘降至料面時被料面托起而失重,檢測帶松馳,靈敏杠桿動作使微動開關接觸,控制顯示器得到該信號立即發出電機反轉命令,重錘上升返回,直到檢測擋片碰上到頂開關,電機停轉,錘頭回到倉頂原始位置,完成一次探測過程。在此過程中數顯控制儀通過檢測脈沖信號的數量計算出重錘從倉底到料面間的距離,在面板進行數字顯示,并在后面板端子上輸出4~20mA 電流。(不需外加24V)
四、安裝和接線
1.一次表傳感器的安裝
(1)在倉頂選擇安裝料位計的合適位置:
測量點的選擇應避開進料口及下料口,并盡可能選擇在裝料及卸料過程中均近似于等高測量的位置。在圓頂的水泥、粉煤灰倉上,應選擇遠離吹灰管、與吹灰管不在一條直線上、距倉頂圓心距離為半徑的2/3 處作為安裝位置。在電廠煤粉倉上,為了與原手搖探錘數據更好的對照,應該選擇與原手搖探錘距離較近的位置。要求測量點下方無鐵架等雜物,以免防礙測量。
(2)準備法蘭、鋼管及鋼板(見圖4)
約300X500mm 鐵皮倉頂不用此板,水泥倉頂應準備此板。在鐵板上開孔,孔徑=鐵管外徑δ=8-10mm。如料倉為露天,需要加防霜罩,所以L要求固定到倉頂后高度為100mm左右,如在有房屋的條件下,可加長至300~400mm。

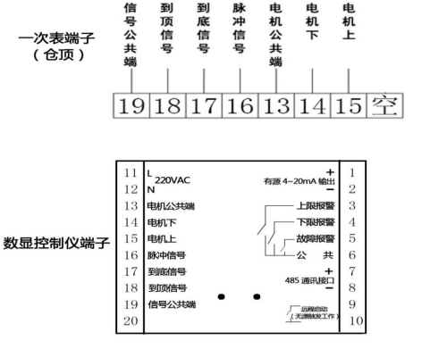
2.數顯控制儀的接線(特別注意) ※※※ ※※※
首先要認真校線,按圖接線。連接電纜為3芯×1mm(電機線)和4芯×1mm(信號線,一定要屏蔽線).
一次表與數顯控制儀連接線一定要用兩股線,決不允許7根線為一股,線號一定要對應,19#,18#,17#,16#的4芯屏蔽線一端接地一端懸空,13#,14#,15#,3芯電纜為電機線。19#,18#,17#,16#為一根,13#,14#,15#為一根(13#,14#,15#三根線為電機正反轉線,一定和二次表的4芯屏蔽線分開,嚴禁一股線否則會產生干擾,嚴重影響儀表的正常工作,另外也不許接錯,會造成大錯誤,使二次表燒壞),如19#,18#,17#,16#,13#,14#,15#束成一股,則儀表將不能正常工作。
3.安裝調試注意事項(注意) ※※※ ※※※
如用戶安裝使用前需自行測試,一次表與數顯控制儀接線完成并確認接線無誤后,須***將一次表水平(錘頭向下)放置, 然后給數顯控制儀供電,供電后儀表會有一次自檢過程,如自檢過程無顯示錯誤報警則儀表可正常工作。

現場數顯控制儀端子說明
端子11/12:數顯控制儀電源,AC220V;
端子13:電機公共端,連接一次表13號端子;
端子14:電機下,連接一次表14號端子;
端子15:電機上,連接一次表15號端子;
端子16 : 脈沖信號,連接一次表16號端子;
端子17:到低信號,連接一次表17號端子;
端子18:到頂信號,連接一次表18號端子;
端子19 : 信號公共端,連接一次表19號端子;
端子3/6:上限報警點,無源開點,料位超過上限設置閉合;
端子4/6:下限報警點,無源開點,料位低于下限設置閉合;
端子5/6:為故障報警輸出,設置常開,當儀表發生故障時輸出閉合報警信號;
端子1/2:模擬量輸出無源4-20mA,1為+,2為-,不需要外部24V電源;
端子7/8:為485通訊接口,7為+,8為-;
端子9/10:遠程測量觸發,為無源點輸入,每次閉合輸入不小于1秒,可以觸發料位計做一次測量;
五、界面說明:
1、【參數】按鍵可進入參數設置界面根據提示進行相應參數設置
(【自動】狀態下不可進行參數設置需調至【手動】狀態進行參數設置);
2、【手動】/【自動】按鍵可進行自由切換;
3、 上限報警料位,單位米,要求不大于量程;
4、下限報警料位,單位米,要求不大于上限料位設置;
5、量程設置,根據倉頂一次表錘頭底部到倉底的實際垂直距離設置
(*數顯控制儀量程設置不得大于訂貨量程,否則會出現嚴重后果*);
6、【啟動】按鍵,每按一次,料位計會做一次測量,不得頻繁啟動。
7、自動檢測時間設置,間隔要求不小于10分鐘;
8、料位顯示,顯示料倉的料位高度;
9、重錘位置顯示,顯示重錘從上至下的位置高度;
10、狀態顯示,顯示儀表運行狀態;
11、開機界面
上電后系統對重錘系統進行檢測,無故障后進入主界面。如果重錘有故障,下方會出現手動進入按鍵。按下后進入《端口測試》界面,測試輸入輸出端口。

12、主界面

1:電源指示燈
2:自動指示燈,在自動狀態下,按《自動時間》間隔去自動測量物料高度。
3:手動指示燈,在手動狀態下,只有按《手動測量》才會測量一次物料高度。
4:運行指示燈,只有在測量時燈亮。
5:上限報警指示燈
6:下限報警指示燈
7:上上限報警指示燈
8:下下限報警指示燈
9:故障報警指示燈
10:外部啟動指示燈,當外部啟動時燈亮,測量后燈滅。
11:罐內高度指示圖
12:《參數》按鍵,進入參數界面。
13:《手動.自動》轉換按鍵,顯示
在手動狀態下,只有按《手動測量》才會測量一次物料高度,按一次后顯示
進入自動狀態,按《自動時間》間隔去自動測量物料高度。
14:《手動測量》按鍵,按下后測量一次物料高度。
15:上限報警線,顯示上限報警在罐上的位置。
16:下限報警線,顯示下限報警在罐上的位置。
13、參數設置界面

量程: 設置罐內總高度,設置范圍(0.001米-99.999米)。
設置方法:按下要改的數據后出現數字鍵盤
輸入參數后按《Enter》退出,按《Esc》鍵退出但參數不會改變。
按鍵刪除一位數據。
上限報警參數:物料高于上限報警時報警,設置范圍(0.001米-99.999米),設置方法同上。
下限報警參數:物料低于下限報警時報警,設置范圍(0.001米-99.999米),設置方法同上。
上限報警2參數:物料高于上限報警2時,上上限報警輸出,設置范圍(0.001米-99.999米),設置方法同上。
下限報警2參數:物料低于下限報警2時,下下限報警輸出,設置范圍(0.001米-99.999米),設置方法同上。
自動運行時間: 在自動狀態下每次啟動的間隔時間,設置范圍(1分鐘-9999分鐘),設置方法同上。
罐號:可以設置測量罐的編號,設置完后可在主界面罐上顯示出來。
按下后出來全鍵盤輸入完后按《輸入完成》退出,(支持數字,英文字母大小寫,符號)
物料名稱:可以設置罐內介質的名稱,設置完后,在主界面上罐上可以顯示出來,按下后調出全鍵盤,使用全拼輸入法,輸入完后按《輸入完成》退出,(支持漢字,大寫英文字母,數字,符號)。
14、端口測試界面

測試界面
輸入輸出端口測試,輸入端口有效亮綠燈,無效亮紅燈。
《上限報警》《下限報警》《上上限報警》《下下限報警》《故障報警》按鍵,測試輸出端口,按下后輸出端口和面板指示燈發生變化。
15、**參數界面

設置重錘控制參數
步間距:一脈沖與另一個脈沖的距離。設置范圍(0.00米-99.99米)
空 位:空位是設置重錘的無效脈沖,計算物料高度的時會減去空位脈沖。設置范圍(0.00個-999個)
上下間隔時間:重錘向下,碰到物料后,走(上下間隔時間)延時后向上返錘。參數可以設為零。設為零后,碰到物料后直接向上。設置范圍(0秒-99秒)
返錘開關去抖:此參數設置檢測返錘開關的次數。設置數值越大,檢測次數越多,同時用時間越長。設置范圍(0-250)
4mA: 設置4mA對應的DA值
20mA: 設置20mA對應的DA值
纏繩:《纏繩》按鍵,重錘纏繩,當到頂開關有效后停止。按《停止》按鍵也可以停止。
停止:《停止》按鍵,電機停止。
放繩:《放繩》按鍵,重錘放繩,不檢測任何開關,只有按停止鍵后停止。
16、接線端子說明

RC485參數
波特率9600 數據位 8 校驗位 奇校驗 停止位 1位
功能 | 寄存器 地址 | 變量類型 | 變量字 節數 | 變量地 址數 | 計算公式 (十進制) | 單位 | 說明 |
03 | 0001 | uint | 4 | 2 | 直接讀取 | mm | 數位高度 |
03 | 0003 | uint | 4 | 2 | 直接讀取 | mm | 量程 |
03 | 0005 | uint | 4 | 2 | 直接讀取 | mm | 上限報警 |
03 | 0007 | uint | 4 | 2 | 直接讀取 | mm | 下限報警 |
03 | 0009 | uint | 4 | 2 | 直接讀取 | mm | 上上限報警 |
03 | 0011 | uint | 4 | 2 | 直接讀取 | mm | 下下限報警 |
03 | 0012 | uint | 2 | 1 | 直接讀取 | 分 | 自動運行時間 |
- 瀏覽:


